Водоочисна станція Kingspan BioDisc BD призначена для комерційних об'єктів, у яких мешкає 25 осіб. Очисна споруда була розроблена таким чином, щоб необроблені стічні води очищалися за високими європейськими стандартами якості. Запатентована технологія контактора, що обертається, забезпечує виключно високий рівень очищення від забруднень.
Klargester BioDisc має найнижчі експлуатаційні витрати та витрати на технічне обслуговування серед усіх комплексних очисних споруд свого класу. Важливою конструктивною особливістю є двигун приводу, який працює практично безшумно, має низьке енергоспоживання і значно більший розрахунковий термін служби, ніж звичайний компресор. Низькі експлуатаційні витрати у поєднанні з якістю та довговічністю обладнання призводять до значного зниження витрат протягом терміну служби.

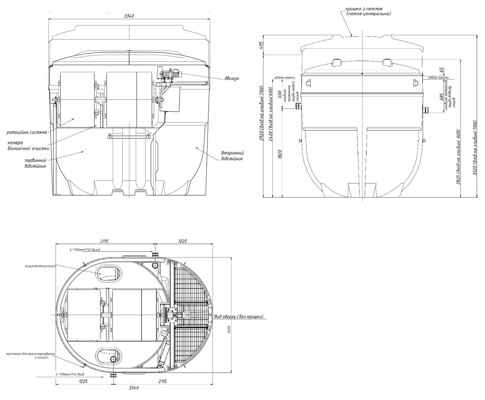
1. Еквівалентна кількість мешканців – 25 осіб
2. Добова сума стічних вод – 5 м3/добу
3. Загальний діаметр (мм) 2450
4. Довжина (мм) 3340
5. Глибина до вхідного отвору (мм) 600-1100
6. Глибина під впускним отвором (мм) 1820
7. Глибина виходу (мм) 1735
8. Загальна висота (мм) 2825-3325
9. Висота до краю кришки (мм) 2485-2985
10. Вага порожнього кг 1100-1200
11. Стандартне джерело живлення 1 фаза



* Санітарно-захисна зона – 5м * Працює при мінімальному навантаженні 10% продуктивності; * Біомаса виживе за відсутності свіжого стоку протягом 3-5 днів та електроенергії в протягом 3 діб; * Відсутність запахів завдяки відсутності нагнітання повітря – протестовано у відповідно до EN13725; * Тиха робота завдяки використанню двигуна на низьких оборотах (2 об/хв); * Великий обсяг первинного відстійника; * Унікальна система дозування стоків; * Технологія ротаційного біологічного очищення; * Вихід на робочий режим за 6-10 днів; Низька вартість монтажу: Викопати яму; Встановити з/б плиту; Поставити установку;
Засипати; |
|
| * Мінімальні витрати на технічне обслуговування протягом усього терміну служби. * Немає кошика для грубих побутових відходів. Завдяки конструктиву такі відходи затримуються у первинному відстійнику та викачуються 1-2 рази на рік; * Повністю знімні кришки для простоти обслуговування. * Низький відсоток аварій внаслідок малого кількості витратних матеріалів, задіяних у роботі. * Дуже низьке енергоспоживання. * Цілісний резервуар доставляється безпосередньо на об'єкт. * Управління потоком безперервна обробка навіть при надмірній чи недостатній навантаженні * Змінні варіанти інвертування/випуску на вході * Повністю керований пакет, включає в себе; проектування, монтаж, інтелектуальне введення в експлуатацію,
сервіс та моніторинг |
Біологічне очищення без нагнітання повітря Технологія очищення стічних вод додаткового нагнітання повітря у систему. Активний мул, що утворився, наростає на поверхні біодисків. Активний мул – це мікроорганізми, що зустрічаються в природі, споживають бруд зі стічних вод, тим самим очищаючи стічні води. Біодиски на валу на половину занурені в
стічної води, вал робить 2 оберти. |
|
| ПАНЕЛЬ УПРАВЛІННЯ - SMART RANGE Ця панель керування Klargester нового типу для резервуарів стічних вод дисплеєм постійно контролює внутрішні розкладу та керує відповідними виходами насоса/двигуна відповідно із записом розкладу. Статус відображається на дисплеї. Поточний час продовжує оновлюватися всередині за рахунок резервної батареї при збої електромережі, а блок керування продовжує працювати у звичайному режимі після відновлення електромережі. |
Система дистанційного моніторингу Контролюйте свої об'єкти очищення стічних вод одним натисканням кнопки за допомогою програмного забезпечення для віддаленого моніторингу активів SmartServ Pro, що дозволяє перевіряти їхній стан на своєму телефон, планшет або комп'ютер. Система SmartServ дозволяє контролювати втрату потужності, втрату обертання на біодисках, несправності інвертора та насоса для повернення мулу. Це система дистанційного моніторингу, яка дає вам повну видимість роботи очисних споруд. Портал підключається до пристрою SmartServ Pro на резервуарах вашої системи очищення стічних вод, надаючи вам доступ у режимі реального часу до важливої інформації з вашої системи очищення стічних вод на телефон чи комп'ютер. Така видимість дозволяє вам контролювати продуктивність системи в будь-який час та у будь-якому місці без необхідності їздити на кожен об'єкт та установку для збору
індивідуальні показання. |
|
- Низька витрата коштів на очищення стічних вод
- Комфортне використання за мінімальних витрат у сфері обслуговування
- Охорона природних водних та ґрунтових ресурсів Професійна консультація
Порівняльна таблиця експлуатаційних витрат на обслуговування автономної каналізації BioDisc BL та очисного комплексу БІО-90 з продуктивністю 100 м3/добу

Встановлення очисної споруди BioDisc: 1. В школі та дитячому садочку 2. В літньому парку на території заповідника 3. Модернізація установки яка обслуговує село 4. В туристичних об'єктах, кемпінгах 5. В готелях та зонах відпочинку 6. В багатоквартирних будинках та офісах 7. Автомобільні та залізничи вокзали 8. Муніціпальни об'єкти |
|
-
1. Основні відмінністі BioDsc
-
2. Основні відмінністі BioDsc
-
3. Основні відмінністі BioDsc
-
4. Основні відмінністі BioDsc
-
5. Основні відмінністі BioDsc
-
6. Основні відмінністі BioDsc






































