Водоочистительная станция Kingspan BioDisc BE предназначена для коммерческих объектов, в которых проживает 35 человек. Очистное сооружение было разработано таким образом, чтобы необработанные сточные воды очищались по очень высоким европейским стандартам качества. Запатентованная технология вращающегося контактора обеспечивает исключительно высокий уровень очистки от загрязнений.
Klargester BioDisc имеет самые низкие эксплуатационные расходы и затраты на техническое обслуживание среди всех комплексных очистных сооружений своего класса. Важной конструктивной особенностью является приводной двигатель, который работает практически бесшумно, имеет низкое энергопотребление и значительно больший расчетный срок службы, чем обычный компрессор. Низкие эксплуатационные расходы в сочетании с качеством и долговечностью оборудования приводят к значительному снижению затрат в течение срока службы.

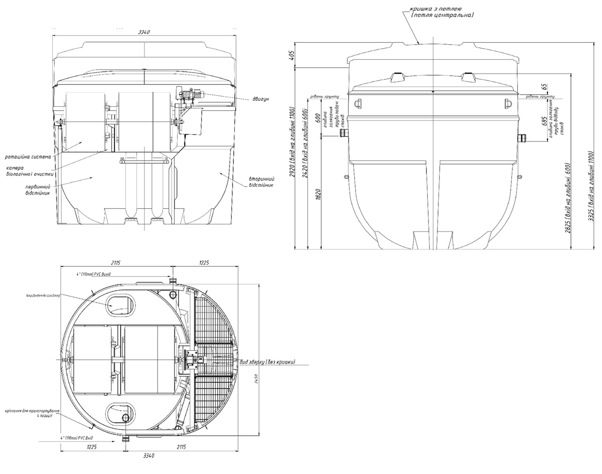
Технические параметры BioDisc® BE
1. Эквивалентное количество жителей – 35 человек
2. Суточная сумма сточных вод – 7 м3/сутки
3. Общий диаметр (мм) 2450
4. Длина (мм) 3340
5. Глубина ко входному отверстию (мм) 600-1100
6. Глубина под впускным отверстием (мм) 1820
7. Глубина выхода (мм) 1735
8. Общая высота (мм) 2825-3325
9. Высота до края крышки (мм) 2485-2985
10. Вес пустого кг 1200-1300
11. Стандартный источник питания 1 фаза

Принцип работы системы BioDisc®

Как работает система BioDisc®?
Основой работы каждой системы BioDisc® является технология RBC (ротационный биологический контактор). В этом процессе используются полипропиленовые диски, закрепленные в баках на вращающемся стальном валу. Этот вал постепенно вращается посредством низкоэнергетического редукторного двигателя. Аэробные бактерии, содержащиеся в сточных водах, оседают на дисках. На следующем этапе происходит естественное разложение загрязняющих веществ.

* Санитарно-защитная зона – 5м * Работает при минимальной нагрузке 10% производительности; * Биомасса выживет при отсутствии свежего стока в течение 3-5 дней и электроэнергии в течение 3 суток; * Отсутствие запахов благодаря отсутствию нагнетания воздуха – протестировано в соответствии с EN13725; * Тихая работа благодаря использованию двигателя на низких оборотах (2 об/мин); * Большой объем первичного отстойника; * Уникальная система дозировка стоков; * Технология ротационной биологической очистки; * Выход на рабочий режим за 6-10 дней; Низкая стоимость монтажа:
|
|
| * Минимальные затраты на техническое обслуживание в течение всего срока службы. * Нет корзины для грубых бытовых отходов. Благодаря конструктиву такие отходы задерживаются в первичном отстойнике и выкачиваются 1-2 раза в год; * Полностью съемные крышки для простоты обслуживания. * Низкий процент аварий вследствие малого количества расходных материалов, задействованных в работе. * Очень низкое энергопотребление. * Цельный резервуар доставляется непосредственно на объект. * Управление потоком непрерывная обработка даже при чрезмерной или недостаточной нагрузке * Сменные варианты инвертирования/выпуска на входе * Полностью управляемый пакет, включающий в себя; проектирование, монтаж, интеллектуальный ввод в эксплуатацию, сервис и мониторинг |
Биологическая очистка без нагнетания воздуха Технология очистки сточных вод без дополнительного нагнетания воздуха в систему. Образовавшийся активный ил нарастает на поверхности биодисков. Активный ил – это микроорганизмы, встречающиеся в природе, потребляющие грязь из сточных вод, тем самым очищая сточную воду. Биодиски на валу на половину погружены в сточную воду, вал делает 2 об. |
|
| ПАНЕЛЬ УПРАВЛЕНИЯ - SMART RANGE Эта панель управления Klargester нового типа для резервуаров сточных вод с цифровым дисплеем постоянно контролирует внутренние расписания и управляет соответствующими выходами насоса/двигателя в соответствии с записью расписания. Статус отображается на дисплее. Текущее время продолжает обновляться внутри за счет резервной батареи при сбое электросети, а блок управления продолжает работать в обычном режиме после восстановления электросети. |
Система дистанционного мониторинга Контролируйте свои объекты очистки сточных вод одним нажатием кнопки с помощью программного обеспечения для удаленного мониторинга активов SmartServ Pro, что позволяет проверять их состояние на своем телефоне, планшете или компьютере.
Система SmartServ позволяет контролировать потерю мощности, потерю вращения на биодисках, неисправности инвертора и насоса для возврата ила. Это система дистанционного мониторинга, которая дает вам полную видимость работы очистных сооружений. Портал подключается к устройству SmartServ Pro на резервуарах вашей системы очистки сточных вод, предоставляя вам доступ в режиме реального времени к важной информации из вашей системы очистки сточных вод на телефон или компьютер. Такая видимость позволяет вам контролировать производительность системы в любое время и в любом месте без необходимости ездить на каждый объект и установку для сбора индивидуальных показаний. |
|
1. Минимальная санитарная зона. До 60м3/сутки – 5 метров
2. Компактная конструкция, готовая к монтажу
3. Сверхпрочный корпус из стеклопластика – 50 лет гарантии.
4. Высокая эффективность при нерегулярном поступлении сточных вод;
5. Минимальное техническое обслуживание 1 раз в 2 года;
6. Отсутствие неприятных запахов вследствие отсутствия механической аэрации;
7. Тихая работа за счет использования двигателя на низких оборотах;
8. Чрезвычайно большой крепкий резервуар с большим объемом;
9. Запатентована система дозировки сточных вод;
10. Низкий процент аварий вследствие малого количества расходных материалов, задействованных в работе;
11. Беспрецедентная устойчивость к применению бытовой химии благодаря самому крупному на рынке первичному отстойнику.
12. Производство Ирландии. Качество очистки сточных вод = европейским требованиям
BioDisc® за счёт технологии вращающегося биологического контактора - диска, что обеспечивает высокую эффективность при неравномерном потоке сточных вод.

Преимущества использования установки BioDisc®:
- Низкий расход средств на очистку сточных вод
- Комфортное использование при минимальных затратах в сфере обслуживания
- Охрана природных водных и почвенных ресурсов Профессиональная консультация
Сравнительная таблица эксплуатационных затрат на обслуживание автономной канализации BioDisc BL и очистительного комплекса БИО-90 с производительностью 100 м3/сутки

Команда консультантов нашей компании имеет 30-летний опыт в сфере водоподготовки и очистки стоков. Работаем по всей стране. Подберем подходящее решение для вашего дома и бюджета. На всей территории страны работают авторизованные инсталляторы, которые комплексно проведут процесс монтажа и последующего обслуживания.
Применение автономной канализации BioDisc
Установка очистного сооружения BioDisc: 1. В школе и детском саду 2. В летнем парке на территории заповедника 3. Модернизация установки обслуживающей деревню 4. В туристических объектах, кемпингах 5. В отелях и зонах отдыха 6. В многоквартирных домах и офисах 7. Автомобильные и железнодорожные вокзалы 8. Муниципальные объекты |
|




































