Водоочистительная станция Kingspan BioDisc BA предназначена для домов, в которых проживает 6 человек. Очистное сооружение было разработано таким образом, чтобы необработанные сточные воды очищались по очень высоким европейским стандартам качества. Бытовая версия BioDisc предназначена для домов, в которых проживает не больше 18 человек. Запатентованная технология вращающегося контактора обеспечивает исключительно высокий уровень очистки от загрязнений. Также дополнительно существует возможность использования встроенной насосной станции для отвода очищенных сточных вод.

Технические параметры BioDisc® BA
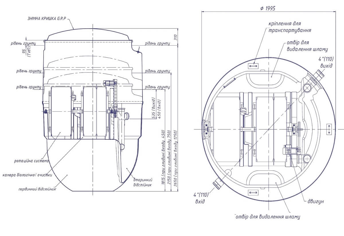
Эквивалентное количество жителей – 6 человек.
Суточная сумма сточных вод – 1,2 м3/сутки
Суточная погрузка загрязняющих веществ - 0,36 кг БСК/сутки
Общий диаметр А – Ø1995 мм
Общая высота – 2160
Глубина входа – 450
Глубина выхода – 520
Расстояние подвода до дна – 1400 мм.
Глубина от уровня земли – 1850 мм
Высота над поверхностью земли – 215 мм.
Расстояние от уровня земли до покрытия – 95 мм.
Диаметр трубы входной и выходной – 160/110 мм.
Максимальный срок хранения осадка – 24 месяца
Всего вес пустого бака – 310 кг.
Емкость первичного отстойника – 3 м3
Емкость вторичного отстойника – 0,42 м3
Стандартное напряжение – 230 В
Мощность двигателя – 0,05 кВт
низкое энергопотребление – до 1,3 кВт/день
Доступны дополнительные входные отверстия глубиной 450 мм, 750 мм, 1000 мм и 1250 мм.
Как работает система BioDisc®?
Основой работы каждой системы BioDisc® является технология RBC (ротационный биологический контактор). В этом процессе используются полипропиленовые диски, закрепленные в баках на вращающемся стальном валу. Этот вал постепенно вращается посредством низкоэнергетического редукторного двигателя. Аэробные бактерии, содержащиеся в сточных водах, оседают на дисках. На следующем этапе происходит естественное разложение загрязняющих веществ.

Ключевые преимущества технологии Biodisc:
1. Минимальная санитарная зона. До 60м3/сут – 5 метров
2. Компактная конструкция, готовая к монтажу
3. Сверхпрочный корпус из стеклопластика – 50 лет гарантии.
4. Высокая эффективность при нерегулярном поступлении сточных вод;
5. Минимальное техническое обслуживание 1 раз в 2 года;
6. Отсутствие неприятных запахов вследствие отсутствия механической аэрации;
7. Тихая работа за счет использования двигателя на низких оборотах;
8. Чрезвычайно большой крепкий резервуар с большим объемом;
9. Запатентована система дозировки сточных вод;
10. Низкий процент аварий вследствие малого количества расходных материалов, задействованных в работе;
11. Беспрецедентная устойчивость к применению бытовой химии благодаря самому крупному на рынке первичному отстойнику.
12. Производство Ирландии. Качество очистки сточных вод = европейским требованиям
Высокая эффективность BioDisc® использует технологию вращающегося биологического контактора (диска), что обеспечивает высокую эффективность при неравномерном потоке сточных вод.
Преимущества использования установки BioDisc®:
- Низкий расход средств на очистку сточных вод
- Комфортное использование при минимальных затратах в сфере обслуживания
- Охрана природных водных и почвенных ресурсов Профессиональная консультация
Команда консультантов нашей компании имеет 30-летний опыт в сфере водоподготовки и очистки стоков. Работаем по всей стране. Подберем подходящее решение для вашего дома и бюджета. На всей территории страны работают авторизованные инсталляторы, которые комплексно проведут процесс монтажа и последующего обслуживания.


-
Какие виды автономной канализации?
-
В чем разница между Септиком и Автономной канализацией?































